倒流防止器,是一种安装在各类管路系统中用于严格阻止介质倒流,保护其后的介质或设备不受污染的止逆类阀门。由两个串联的止回阀和过滤部分组成,密封严密,确保介质无一点回流,安全可靠,使用寿命长。
主要技术参数
公称压力:1.0~2.5MPa
公称通径:40~100mm
缓闭时间:3~60秒
适用介质:清水、海水、污水
适用温度:0~80℃(如需要,可达200℃)
法兰标准:GB/T 17241.6 GB/T 9113
试验标准:GB/T 13927 API 598
主要零件材料
|
序号 |
零件名称 |
材料 |
|
1 |
阀体 |
铸铁、球墨铸铁、铸钢 |
|
2 |
阀盖 |
铸铁、球墨铸铁、铸钢 |
|
3 |
阀盘 |
球墨铸铁 |
|
4 |
弹簧 |
不锈钢、铬钒钢 |
|
5 |
排污阀 |
黄铜 |
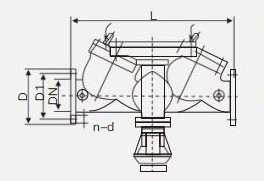
主要外形连接尺⼨
单位:mm
|
DN |
50 |
65 |
80 |
100 |
125 |
150 |
200 |
250 |
300 |
350 |
400 |
450 |
500 |
600 |
|
L |
458 |
482 |
551 |
653 |
735 |
793 |
1008 |
1186 |
1340 |
1505 |
1670 |
1886 |
1986 |
2318 |
|
H |
210 |
235 |
264 |
308 |
356 |
400 |
503 |
595 |
705 |
705 |
905 |
910 |
921 |
1210 |
-
Z85X沟槽暗杆闸阀Z85X沟槽暗杆闸阀是引进国外技术生产的新型闸阀产品,拥有传统阀门所不具备的多种优势,应用范围广泛。它具有开关轻巧、密封可靠、弹性记忆佳及使用寿命长等显著优点。本体采用球墨铸…查看详情
-
Z81X沟槽明杆闸阀Z81X沟槽明杆闸阀是引进国外技术生产的新型闸阀产品,拥有传统阀门所不具备的多种优势,应用范围广泛。它具有开关轻巧、密封可靠、弹性记忆佳及使用寿命长等显著优点。本体采用球墨铸…查看详情
-
Z85T沟槽铜芯防护暗杆闸阀Z85T沟槽暗杆防护铜杆铜芯闸阀是引进国外同类先进产品而设计制造的一系列新型连接阀门。它具有安装快速、简易、安全、可靠、不受安装场地限制、便于管道与阀门的维修保养,有隔振隔音…查看详情
-
Z81T沟槽铜芯防护明杆闸阀Z81T沟槽明杆防护铜杆铜芯闸阀是引进国外同类先进产品而设计制造的一系列新型连接阀门。它具有安装快速、简易、安全、可靠、不受安装场地限制、便于管道与阀门的维修保养,有隔振隔音…查看详情


