D371X中线对夹式蜗轮蝶阀通常用于温度≤120℃,公称压力≤1.6MPa的食品、医药、化工、石油、电力、轻纺、造纸等给排水、气体管道上作调节流量和截断流体的作用。其主要特点为:
1、设计新颖、合理,结构紧凑,重量轻,启闭迅速。
2、操作力矩小,操作方便,省力灵巧。
3、可以任何位置安装,维修方便。
4、密封件可以更换,密封性能可靠,能够达到双向密封零泄漏。
5、密封材料具有耐老化、耐腐蚀、使用寿命长等特点。
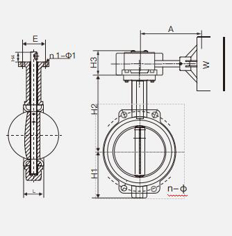
主要外形连接尺寸单位:mm
|
DN(mm) |
NPS(in) |
L |
H1 |
H2 |
H3 |
H4 |
n-φ |
A |
E |
n 1-φ1 |
W |
|
200 |
8 |
60 |
175 |
260 |
82 |
45 |
4-25 |
240 |
88.9 |
4-14.3 |
298 |
|
250 |
10 |
68 |
203 |
292 |
82 |
45 |
4-29 |
240 |
88.9 |
4-14.3 |
298 |
|
300 |
12 |
78 |
242 |
337 |
84 |
45 |
4-29 |
225 |
107.95 |
4-14.3 |
298 |
|
350 |
14 |
78 |
267 |
368 |
84 |
45 |
4-30 |
225 |
107.95 |
4-14.3 |
298 |
|
400 |
16 |
102 |
325 |
400 |
120 |
51.2 |
4-26 |
280 |
158.75 |
4-20.6 |
300 |
|
450 |
18 |
114 |
345 |
422 |
120 |
51.2 |
4-26 |
362 |
158.75 |
4-20.6 |
300 |
|
500 |
20 |
127 |
378 |
480 |
150 |
64.2 |
4-26 |
362 |
158.75 |
4-20.6 |
300 |
|
600 |
24 |
154 |
475 |
562 |
150 |
70.2 |
20-30 |
362 |
215.9 |
4-22.2 |
300 |
-
Z85X沟槽暗杆闸阀Z85X沟槽暗杆闸阀是引进国外技术生产的新型闸阀产品,拥有传统阀门所不具备的多种优势,应用范围广泛。它具有开关轻巧、密封可靠、弹性记忆佳及使用寿命长等显著优点。本体采用球墨铸…查看详情
-
Z81X沟槽明杆闸阀Z81X沟槽明杆闸阀是引进国外技术生产的新型闸阀产品,拥有传统阀门所不具备的多种优势,应用范围广泛。它具有开关轻巧、密封可靠、弹性记忆佳及使用寿命长等显著优点。本体采用球墨铸…查看详情
-
Z85T沟槽铜芯防护暗杆闸阀Z85T沟槽暗杆防护铜杆铜芯闸阀是引进国外同类先进产品而设计制造的一系列新型连接阀门。它具有安装快速、简易、安全、可靠、不受安装场地限制、便于管道与阀门的维修保养,有隔振隔音…查看详情
-
Z81T沟槽铜芯防护明杆闸阀Z81T沟槽明杆防护铜杆铜芯闸阀是引进国外同类先进产品而设计制造的一系列新型连接阀门。它具有安装快速、简易、安全、可靠、不受安装场地限制、便于管道与阀门的维修保养,有隔振隔音…查看详情


