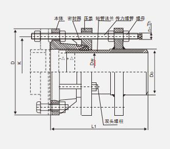
VSSJAF型双法兰传力接头是由法兰松套伸缩接头和短管法兰、传力螺杆等构件组成,能降低被连接件的压力推力(盲板力)和补偿管路安装误差。双法兰传力接主要用于泵、阀门等附件的松套连接。适用于输送海水、淡水、冷热水、饮用水、生活污水、原油、燃油、润滑油、成品油、空气、煤气、温度不高于250℃的蒸汽和颗粒粉状等介质。
主要外形连接尺寸单位:mm
|
公称通径 DN |
管子外径 Dw |
法兰连接尺寸 |
总长 L |
安装尺寸 L1 |
伸缩量 △ |
重量/kg |
||||
|
法兰外径 D |
螺栓孔中心 圆直径D1 |
螺栓孔 |
||||||||
|
n |
d0 |
Min |
Max |
|||||||
|
300 |
325 |
445 |
400 |
12 |
22 |
370 |
195 |
445 |
50 |
68.3 |
|
350 |
377 |
505 |
460 |
16 |
22 |
370 |
195 |
445 |
50 |
88. 1 |
|
400 |
426 |
565 |
515 |
16 |
26 |
380 |
195 |
445 |
50 |
101.3 |
|
450 |
480 |
615 |
565 |
16 |
26 |
380 |
195 |
445 |
50 |
1 15.7 |
|
500 |
530 |
670 |
620 |
20 |
26 |
380 |
195 |
445 |
50 |
136.9 |
|
600 |
630 |
780 |
725 |
20 |
30 |
420 |
215 |
465 |
50 |
188.7 |
|
700 |
720 |
895 |
840 |
24 |
30 |
420 |
215 |
465 |
50 |
232. 1 |
|
800 |
820 |
1015 |
950 |
24 |
33 |
560 |
320 |
380 |
60 |
384.6 |
|
900 |
920 |
1115 |
1050 |
28 |
33 |
560 |
320 |
380 |
60 |
422.6 |
|
1000 |
1020 |
1230 |
1160 |
28 |
36 |
560 |
320 |
380 |
60 |
487.6 |
-
Z85X沟槽暗杆闸阀Z85X沟槽暗杆闸阀是引进国外技术生产的新型闸阀产品,拥有传统阀门所不具备的多种优势,应用范围广泛。它具有开关轻巧、密封可靠、弹性记忆佳及使用寿命长等显著优点。本体采用球墨铸…查看详情
-
Z81X沟槽明杆闸阀Z81X沟槽明杆闸阀是引进国外技术生产的新型闸阀产品,拥有传统阀门所不具备的多种优势,应用范围广泛。它具有开关轻巧、密封可靠、弹性记忆佳及使用寿命长等显著优点。本体采用球墨铸…查看详情
-
Z85T沟槽铜芯防护暗杆闸阀Z85T沟槽暗杆防护铜杆铜芯闸阀是引进国外同类先进产品而设计制造的一系列新型连接阀门。它具有安装快速、简易、安全、可靠、不受安装场地限制、便于管道与阀门的维修保养,有隔振隔音…查看详情
-
Z81T沟槽铜芯防护明杆闸阀Z81T沟槽明杆防护铜杆铜芯闸阀是引进国外同类先进产品而设计制造的一系列新型连接阀门。它具有安装快速、简易、安全、可靠、不受安装场地限制、便于管道与阀门的维修保养,有隔振隔音…查看详情


