本系列电磁阀可广泛地应用于纺织、印刷、化工、塑料、橡胶、制药、食品、建材、机械、电器、表面处理等生产和科研部门以及浴室、食堂、空调等人们日常生活设施中。ZBSF-Y系列 电磁阀主要用于腐蚀性液体、超净液体和食用液体等液体介质的控制。ZBSF系列电磁阀主要用于腐蚀气体、超净气体等气体介质的控制。
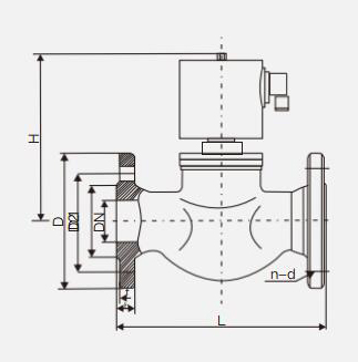
主要外形连接尺寸单位:mm
|
型号规格 |
通径 (mm) |
工作压力(bar) |
Kv值 (m3/h) |
外形尺寸(mm) |
法兰尺寸(mm) |
|||||||
|
G |
L |
H |
D |
D1 |
D2 |
b |
f |
n-d |
||||
|
ZBSF10 |
10 |
B10级:0~10 B16级:0~16 B8级:0~8(常开) BG0级:-1~0(真空) 25级:0~25(特制) |
1.8 |
3/8" |
130 |
153 |
90 |
60 |
41 |
14 |
3 |
4-Φ14 |
|
ZBSF15 |
15 |
2.8 |
1/2" |
130 |
153 |
95 |
65 |
46 |
14 |
3 |
4-Φ14 |
|
|
ZBSF20 |
20 |
5.5 |
3/4" |
150 |
153 |
105 |
75 |
56 |
16 |
3 |
4-Φ14 |
|
|
ZBSF25 |
25 |
10 |
1" |
160 |
153 |
115 |
85 |
65 |
16 |
3 |
4-Φ14 |
|
|
ZBSF32 |
32 |
15 |
1-1/4" |
180 |
176 |
140 |
100 |
76 |
18 |
3 |
4-Φ18 |
|
|
ZBSF40 |
40 |
20 |
1-1/2" |
200 |
176 |
150 |
110 |
84 |
18 |
3 |
4-Φ18 |
|
|
ZBSF50 |
50 |
30 |
2" |
230 |
192 |
165 |
125 |
99 |
20 |
3 |
4-Φ18 |
|
-
Z85X沟槽暗杆闸阀Z85X沟槽暗杆闸阀是引进国外技术生产的新型闸阀产品,拥有传统阀门所不具备的多种优势,应用范围广泛。它具有开关轻巧、密封可靠、弹性记忆佳及使用寿命长等显著优点。本体采用球墨铸…查看详情
-
Z81X沟槽明杆闸阀Z81X沟槽明杆闸阀是引进国外技术生产的新型闸阀产品,拥有传统阀门所不具备的多种优势,应用范围广泛。它具有开关轻巧、密封可靠、弹性记忆佳及使用寿命长等显著优点。本体采用球墨铸…查看详情
-
Z85T沟槽铜芯防护暗杆闸阀Z85T沟槽暗杆防护铜杆铜芯闸阀是引进国外同类先进产品而设计制造的一系列新型连接阀门。它具有安装快速、简易、安全、可靠、不受安装场地限制、便于管道与阀门的维修保养,有隔振隔音…查看详情
-
Z81T沟槽铜芯防护明杆闸阀Z81T沟槽明杆防护铜杆铜芯闸阀是引进国外同类先进产品而设计制造的一系列新型连接阀门。它具有安装快速、简易、安全、可靠、不受安装场地限制、便于管道与阀门的维修保养,有隔振隔音…查看详情


